вам нужна помощь?
Ищите любую информацию по запросу или в списке наиболее часто задаваемых вопросов
Приходят потери связи с клавиатурой/считывателем/расширителем
Рекомендуем подключать устройства на шине экранированной витой парой, с подключением экрана на GND прибора и таким образом, чтобы MON и GND находились в одной паре. Например мон – бело-оранжевый, GND – оранжевый. Если необходимо увеличить сечение – придерживаться такой же логики, только добавляя жилы: бело-оранжевый и бело-зеленый – MON, оранжевый и зеленый – GND. Это нужно для исключения электромагнитных помех.
Как сбросить пароль для конфигурирования
Это защита устройства от несанкционированного доступа, поэтому самостоятельно сбросить этот пароль невозможно. Следует связаться с предыдущим владельцем прибора, чтобы узнать его. Или с рабочими ПЦС, на которые настроена передача событий, чтобы они отключили удаленно этот пароль. Если нет возможности сделать это, отправляйте этот прибор в наш сервис для проверки кто его приобрел и когда.
Как добавить пароль пользователя (Линд 9М3 + Лунь 25 mod.2)
Для того чтобы добавить пароль нужно:
*1*, #+3, пароль администратора, 1*, Выкл. звук, ввести новый пароль, #
*1* — вход в нужную «группу»
#+3 (нажать и удерживать # и нажать 3 ) — вход в режим редактирования ключей/паролей
1234 — пароль администратора по-умолчанию
1* — выбрать номер нужного пароля в конфигурации
Выкл. звук — подтверджение добавления пароля в текущую группу
8520 — новый, добавленный пароль
# — виход из режима добавления паролей
Не работает клавиатура, считыватель или другая периферия
1) Проверьте совместимость устройства с основным прибором. Совместимость можно посмотреть в документации соответствующего устройства. Убедитесь, что устройство и устройство обновлены до последней версии ПО.
2) Проверьте настройки основного устройства. Периферийное устройство должно быть включено в конфигурацию устройства. Для Лунь 11 и новее проверьте соответствие сетевого адреса. Для клавиатур также важно, чтобы она была приписана, по меньшей мере, к одной активной группе прибора. Также для установления связи с устройством прибор должен быть отсоединен от конфигуратора и функционировать в штатном режиме.
3) Проверьте сетевой адрес прибора, он должен соответствовать тому же, что и в конфигурации прибора. По умолчанию все устройства имеют сетевой адрес 1, но лучше убедиться.
4) Проверьте линию связи между устройством и устройством. Наверняка можно проверить это, отсоединив все от шины ТАН или МОН, и подсоединив навесной монтаж только проблемное устройство на коротких проводах, до 15см. Если связь появилась, вероятнее всего проблема в линии связи.
Лунь-9С/29C. Примеры настроек централей работающих по телефонной линии
Пример настроек централи СА-6+(СА10) при конфигурировании с клавиатуры
Минимум необходимых настроек централи СА-6+(СА10) для работы с Лунь-9с, при конфигурировании с клавиатуры.
Эти настройки позволяют довести централь до работоспособности с «Лунь-9с», но далеки от тех, которые необходимы для полного формирования объекта (группы и зоны). Данные настройки позволяют произвести настройку централи на действующем объекте, для работы
с коммуникатором «Лунь-9с» через сеть GSM по каналу GPRS(основному) и голосовому каналу (резервному).
Внимание. Подавать питание на «Лунь-9с» необходимо от самой АКБ, так как выходы централи OUT ограничены по току,
при большой нагрузке (датчиков) может не хватить питания модему, прибора Лунь-9с, в момент передачи события, что приведет
к нестабильной работе прибора.
1. Вход в сервисный режим:
а. Вход через сервисный пароль- набрать пароль (зажать тампер на клавиатуре) начальный пароль 12345#, при наличии тревог,
перед вводом пароля необходимо сбросить имеющиеся тревоги
с помощью пароля пользователя или администратора(начальный пароль 1234#).
б. Вход со штырьков: При выключенном питании установить перемычку на J13, находится по центру платы централи.
Включить питание и через пять секунд, снять перемычку. Если не удалось войти в сервисный режим таким образом,
то повторить сначала но перемычку снять через 1-2мин.
107# — восстановление заводских установок
108# — очистка памяти событий
109# — восстановление заводских идентификаторов
110# — восстановление заводских паролей
112# — вход в конфигурирование с ПК.
2. Включение мониторинга: Набрать- 5# (вошли в меню 5), выставить клавишей №2 чтобы светился 2й светодиод
(коммуникатор включен) и нажать # 2й св.д. не горит (означает что набор импульсный) # # (вышли с меню 5).
3. Ввод номера дозвона: Набрать- 43# (вошли в меню 43), набрать 1*0 (4,5,7 светодиоды светятся) (означает- набрать 1 и все)
далее 8 раз нажать # (выход с меню).
4. Выбор протокола: Набрать- 45# далее — 0*5 (полный Contact ID) при этом должны загореться светодиоды 5,6,7,8,
нажать # для выхода.(01-20bps).
5. Выбор только 1й станции мониторинга: Набрать 47#, установить клавишей 1 чтоб горел 1й светодиод,
остальные не горят.
6. Назначение идентификаторов событий : Набрать 48# 11# 11#.
P.S.
1. Разбиение на две группы A и B.
8# зажечь светодиоды зоны, которые хотим в группу A.
9# зажечь светодиоды зоны, которые хотим в группу B.
Примечание: Одни и те же зоны, можно включить в обе группы одновременно.
2. Конфигурирование выходов OUT под +12V.
OUT1 – 31 # 27 # 0 # вкл 8 светодиод #
OUT2 – 33 # 27 # 0 # вкл 8 светодиод #
OUT3 – 35 # 27 # 0 # вкл 8светодиод #
Примечание: OUT3 по умолчанию с завода идет с этими установками.
3. Настройка тестов:
Сначала установка часов 1234*6 ЧЧ ММ# ДДММ# ГГГГ#
Например:
тесты каждые 5 мин.: 12345# 85# 99# 99# 00# 00# 05# (приборы с двумя параметрами времени тестирования)
тесты каждые 5 мин.: 12345# 85# 99# 99# 00# 00# 05# 00# 00# 00# (приборы с тремя параметрами времени тестирования)
Для 9с_v22 и выше — ожидание набора номера (в программе «Конфигуратор») = «3».
Пример настроек Тирас-4, 8, 16
Тирас-4, 8, 16
Общий сброс: Выключить питание полностью зажать кнопку «Скидання», подать питание, после того как прибор пропищит три раза отпустить кнопку и можно приступать к программированию. После сброса установлен протокол ContactID прибор в режиме программирования.
Вход в программирование : набрать 01604 #
Выход с программирования : набрать *00
Номера объекта для станции мониторинга.
[*46] [1 #] [1111] выдаст писк и выйдет с ячейки.
[*46] [2 #] [0000] — выдаст писк и выйдет с ячейки. Ввод нулей отключают вторую станцию мониторинга.
Номера дозвона.
[*47] [11] [# 3] – Первый номер дозвона. // (имп.набор) (набрать«11») (конец набора)
[*48] [11] [# 3] – для второго номера дозвона (на всякий случай)
Протокол работы коммуникатора, другие параметры связи
*44 — Параметры после сброса все настроено правильно.
1-протокол обмена с ПЦН 00-20bps; 02-CID ( завод-02)
2-кол-во попыток дозвона (09)
3-интервал попыток дозвона сек. (05)
4- Режим дозвона 00-«и»,01-«или»
Установка часов
[*15] — [14 #] [54 #] [30 #]- установка часов. 14 час 54 мин 30 сек
14#(часы текущее время)54#(минуты)30#(секунды)
*16 Периодичность тестовых сообщений
[*16] — [14] [55] [00] [10] [##] – тест каждые 10 минут
14(часы первого теста 0-23) 55(минуты первого теста 0-59) 00(период передачи часы 0-23) 10(период передачи минуты 0-59)
Первый тест будет через минуту.
*14 Время игнорирования неисправности коммуникатора
[*14] — [05 #]; время определения неисправности линии от 0 до 99 минут в данном примере 5 минут
Пример настроек централей PC1864,1832
Минимум необходимых настроек централи PC1864,1832 для работы с Лунь-9с в протоколе CID, при конфигурировании с клавиатуры.
[165]- Кол-во дозвонов >> не менее 5ти.
[166]- Ожидание подтверждения >> не менее 10ти.
[301]- 1-й номер дозвона >> 11FFF… .
[302] — 2-й >> FFFF… .
[303] — 3-й >> FFFF… .
[310] — Пультовой номер для систем. событий >> 111100.
[311-317] — Пультовые номера для разделов >> 1111.
[350] — Формат передачи CID >> 03.
[351-376] — Направление передачи событий >> опция [1] установить 1.
[380] — Коммуникатор включить >> 1-й св.диод вкл.
Импульсный набор номера >> 3-й св.диод вкл.
Запрет 3-го номера >> 5-й св.диод выкл.
Отключить альтернативный набор >> 6-й св.диод выкл.
[381] — CID авто >> 7-й св.диод выкл.(для того чтоб вкл.авто)
Локальный режим >> 8-й св.диод выкл.
[701] — Частота сети >> 1-й св.диод вкл.
Отсчет времени по внутреннему генератору >> 2-й св.диод вкл.
[702] — Сигнал ответа станции монит. стандарт >> 4-й св.диод выкл.
Пример настроек централей Яблотрона JA63 с тлф коммуникатором
Минимально необходимые настройки Яблотрона JA63 с телефонным коммуникатором,
для подключения к Лунь-9С.
1. Убрать отправку смс и отменить сообщения голосом.
Для этого зайти в: «Настройки\ Голосовой дозвон\»
снять все опции и установить импульсный метод набора.
2. Настроить дозвон по тел. линии:
Для этого зайти в: «Настройки\ Цифровой коммуникатор\» и выставить опции:
— Пультовой номер: 1111.
— Пауза перенабора: по минимуму.
— Протокол: CID.
— № Тел. 1: 11 (или 1111).
— № Тел. 2: Пусто.
— Коды сообщений : Все ДА.
3. При конфигурировании 9с — установить:
на закладке «Связь с централью» — протокол передачи CID.
Пример настроек централей PC585,1565,5010,5020 DSC
Минимум необходимых настроек PC585,1565,5010,5020 DSC
Для установки заводских параметров панели (на аппаратном уровне) проделать следующее:
1. Отключите питание и батарею.
2. Отсоединить все провода от зоны «1» и клеммы «PGM1».
3. С помощью провода соединить зону «1» и клемму «PGM1».
4. Подать питание от сети на панель.
5. Когда на клавиатуре загорится светодиод «Zone 1», сброс готов.
6. Снять питание с панели.
7. Снять перемычку и можно приступать к программированию панели.
Теперь собственно программирование.
Вход в программирование *8 0508 (5555).
Program или System на клавиатуре начнёт мигать, указывая, что вы вошли в режим программирования.
Если требуется выйти из режима программирования, нажмите #.
• Когда вы войдете в режим программирования, загорится «Armed», указывая, что панель ожидает ввода 3-значного номера программируемой ячейки.
• Введите 3-значный номер ячейки
• «Armed» погаснет, загорится «Ready», указывая, что панель ожидает ввода данных, требуемых для завершения программирования ячейки.
Если при программировании требуется ввести букву нажмите [ * ] затем число от 1 до 6 и затем опять [ * ].
Это будет означать что:
1 это А
2 это В
3 это С
4 это D
5 это E
6 это F.
[301] — 1-й номер дозвона >> 11FFFF… .
[302] — 2-й >> FFFF… .
[303] — 3-й >> FFFF… .
[310] — пультовой номер для первого и третьего тел. номера >> 1111.
[311] — пультовой номера для второго тел. номера >> 0000.
[360] — формат передачи CID >> для первого и второго номера телефона 03 и 03.
[361-368] — направление передачи событий >> опция [1] установить 1.
[380] — коммуникатор включить >> 1-й св. диод. горит.
импульсный набор номера >> 3-й св. диод. горит.
запрет 3-го номера >> 5-й св. диод. не горит.
альтернативный набор номера выключить >> 6-й св. диод. не горит.
[381] — CID авто >> 7-й св. диод. не горит.
локальный режим выключить >> 8-й св. диод. не горит.
[701] — частота сети 50гц >> 1-й св. диод. горит.
отсчет времени по внутреннему генератору >> 2-й св. диод. горит.
[702] — сигнал ответа станции монит. стандарт >> 4-й св. диод. не горит.
Пример настроек централей Satel integra

Настройки панели «Болид» Сигнал-20П(v.2.05) + С2000ИТ(v.2.06)
Еще раз проверено в нашей технической поддержке 18.03.15 на наборе: Сигнал-20П(v.2.05) + С2000ИТ(v.2.06) + С2000М(v.2.06).
При проверке использовалась программы “Uprog” версии 4.1.0.34 потом 4.1.0.44 и наконец 4.1.0.50.
В ходе проверки выяснилось, что программа “Uprog” версии 4.1.0.44 негативно влияет на С2000ИТ. У коммуникатора С2000ИТ
«зависает» телефонная линия. После переконфигурирования прибора С2000ИТ через “Uprog” версии 4.1.0.50 прибор работает корректно.
Схема подключения коммуникатора «Болида» к «Лунь 9с» стандартная как и с DSC или Satel.
Версия прошивки «Лунь 9с» должна быть не ниже 29.
Версия «Конфигуратора» не ниже 6.5.9.
Версия прошивки коммуникатора «Болид» не ниже 2.06.
Поставьте перемычку для перевода в режим «slave»
На рисунках ниже настройки коммуникатора «Болида» в программе “Uprog” версии 4.1.0.18:
1 – закладка Прибор:

2 – закладка Телефоны:

3 – закладка Дескрипторы сообщений:

4 – Речевой идентификатор и серийный номер:

5 – Зоны и разделы:

6 – Ключи:

Теперь основные настройки панели в программе «Uprog»
версии 4.1.0.18:
1 – Шлейфы:

2 – Ключи:

Снимите перемычку для перевода в режим «master»
если вы не используете С2000М.
И теперь настройки «Лунь 9с» в программе
«Конфигуратор» версии 6.5.9:

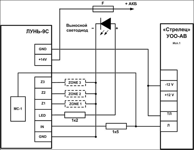
Подключение коммуникатора «Стрельца»
Внимание! Для работы с коммуникатором «Стрельца» прибор
«Лунь-9С» должен быть дооборудован модулем МС-1.

Настройки коммуникатора «Стрельца» (УОО-АВ):
1. 1-й номер телефона >> 11. 2-й…9-й номера телефонов >> оставить пустыми.
2. Наличие префикса >> нет.
3. Набор номера >> импульсный.
4. Количество циклов дозвона >> максимум.
5. Интервал времени меж проверкой сигнала в линии >> не проверять.
6. Адрес УОО-АВ >> 1111.
7. Протокол передачи информации >> “Ademco Contact ID”
8. Определение сигнала «Ответ станции» >> не определять.
9. Пауза перед набором номера(при выкл. Определении сигнала станции) >> минимум.
10. Определение сигнала занято >> не определять.
11. Импульсный коофициент >> 1,5.
Остальные опции УОО-АВ по усмотрению.
Для «Лунь-9с» в конфигураторе установить следующие значения:
1. Связь с Централью:
— Протокол передачи событий >> “Contact ID”.
— Задержка на выдачу Handshake >> 1.
— Ожидание набора номера >> 1.
Настройка охранно-пожарной контрольной панели Matrix 832
Связь панели с компьютером производится по интерфейсу RS232 через COM-порт.

Возможно подключение к USB-порту компьютера. Для этого нужен адаптер USB-RS485 производства НВП «Болид» (с другими может не заработать).
Конфигурирование панели осуществляется при помощи ПО Upload/Download Software for Pyronix Atlas and Matrix Control Panels (MXUDL Software),
которое можно скачать с официального сайта компании Pyronix: http://www.pyronix.com/php/mxudl/mxudl1.php
Ключевые моменты для работы с Лунь-9С отмечены красным маркером:



Лунь-9с с ОП-сигнализацией CADDX (иногда ее называют Lars NX…)
Выжимка по работе Лунь-9с с ОП-сигнализацией CADDX (иногда ее называют Lars NX…).
Итак:
Вход в программирование :
набрать *8 (код входа в режим программирования)
Программирование телефонного номера(набор в импульсе цифры «1»):
набрать 0# 0# 15* 1*#
Программирование номера объекта(ячейка 1):
1#(первая цифра номера объекта)*(вторая цифра н.о.)*(третья ц.н.о.)*(четвертая ц.н.о.)*#
Программирование формата коммуникатора (ячейка2, формат Contact ID):
2#1*
Программирование количества попыток дозвона (ячейка 3,сегмент 1):
Выход из программирования :
#(кнопка «Выход»)
Пример настроек централей Satel. Работа с ПО DLOAD10 и GUARD64
DLOAD10
Программа для настройки и сервисного обслуживания систем охранной сигнализации
работа в операционной среде Windows 98/ME/2000/XP/Vista
программирование системы охранной сигнализации
отображение на экране компьютера состояния системы охранной сигнализации
просмотр журнала системных событий
управление системой с помощью виртуальной клавиатуры на экране компьютера
связь с ПКП:
порт RS-232 на плате ПКП
телефонная линия
программа предназначена для:
ПКП CA-5, CA-6 и CA-10
комплектов радиоуправления RX-2K, RX-4K и RE-4K
модулей GSM-4, GSM LT-2 и GSM LT-1
беспроводной системы ABAX
GUARD64
Программа для администрирования системы, построенной на базе CA-64
работа в операционной среде Windows 98/ME/2000/XP
настройка системы охранной сигнализации
отображение состояния охраняемого объекта на экране компьютера
просмотр журнала системных событий
управление системой с помощью виртуальной клавиатуры на экране компьютера
связь с ПКП:
порт RS-232 на плате ЖКИ-клавиатуры
телефонная линия и аналоговой модем или модем ISDN или GSM — в случае использования внешнего модема, подключенного к ПКК CA-64
То есть, DLOAD10 — работает с «маленькими» централями, GUARD — с большими, отличаются способ подключения к приборам (порты, клавиатура и т.д.),
а программировать можно и с той и с другой проги, смотря какая система.
Пример настроек централей HUNTER-PRO
Использование устройства сопряжения объектового
«Лунь-9С» с ППКОП «HUNTER-PRO»
Внастоящем документе описывается методика подключения и настройки приборов
устройство сопряжения объектовое «Лунь-9С» (далее «Лунь-9С»),
ППКОП «HUNTER-PRO» (832, 896, 8144) (далее «HUNTER-PRO»)
в случае использования «Лунь-9С» в качестве коммуникатора для «HUNTER-PRO».
Подключение оборудования
Для подключения «Лунь-9С» к «HUNTER-PRO» рекомендуется использовать следующую схему:

Настройка «HUNTER-PRO»
Настройку «HUNTER-PRO» производить для передачи данных по телефонной линии в формате «Contact ID»
(все действия здесь и далее указаны для случая программирования с клавиатуры RXN-400,
выход в предыдущее меню клавиатуры – нажатие кнопки END ):
1. Включить телефонную линию
МЕНЮ ТЕХНИКА => 3 => ПАРАМЕТРЫ СВЯЗИ => ENTR => NEXT => NEXT => NEXT => Опции тел. связи => ENTR

Установить «+» в позициях 1 («Тел. лин. подкл») и 5 («Тональный набор») нажатием кнопки #
2. Выбрать формат «Contact ID» для передачи данных на ПЦН
МЕНЮ ТЕХНИКА => 3 => ПАРАМЕТРЫ СВЯЗИ => ENTR => Параметры ЦС1 => ENTR

Установить значения, указанные выше, в позициях 1–3, 5–7.
3. Задать номер объекта
МЕНЮ ТЕХНИКА => 3 => ПАРАМЕТРЫ СВЯЗИ => ENTR => NEXT => Номер объекта: => ENTR

Необходимо указать номер объекта, отличный от 0000 в позициях 5–8. Если используется несколько областей/разделов, то им номер объекта не присваивать.
4. Задать номер телефона ПЦН
МЕНЮ ТЕХНИКА => 3 => ПАРАМЕТРЫ СВЯЗИ => ENTR => NEXT => NEXT => Телефонные номера =>ENTR

Ввести ЛЮБОЕ число в качестве номера телефона ПЦН (рекомендуется вводить однозначный номер для ускорения набора, например: 1) в позициях 1–7.
5. Задать время тестирования и период тестирования «HUNTER-PRO»
МЕНЮ ТЕХНИКА => 3 => ПАРАМЕТРЫ СВЯЗИ => ENTR => Параметры ЦС1 => ENTR => ENTR => ENTR

В позициях 28–29, 31–32 нужно указать время для передачи автоматического теста, а в позициях 10–11 – период тестирования в часах.
Настройка «Лунь-9С»
1.Установить SIM-карту №1 (обязательно),
SIM-карту №2 (при необходимости), подключить кабель конфигурирования к прибору
«Лунь-9С согласно руководству по эксплуатации АДМА.425525.003 РЭ.

2. Запустить программу «Конфигуратор», выбрать порт для соединения.

3.Нажать кнопку «Определить прибор», подать питание на «Лунь-9С», повторно нажать кнопку «Определить прибор».
4.В случае успешного определения прибора «Лунь-9С» в открывшемся окне выбрать закладку «Связь с централью»:

В случае неудачи определения типа прибора выключить питание «Лунь-9С», затем повторить п.3 до успешного определения прибора «Лунь-9С».
5.Установить в качестве протокола передачи событий от централи протокол «Contact ID», остальные параметры рекомендуется указать как на рисунке выше.
6.На закладке «Режим работы» указать требуемый режим работы – охранный или пожарный.
7.На закладке «ПЦН» указать период посылки тестов по GPRS и по голосовому каналу. Рекомендуется установить значение «0» если ранее установлены периоды посылки тестов в
«HUNTER-PRO».
8.Для установленных в приборе SIM-карт указать параметры связи по каналу GPRS (IP-адреса и порты ПЦН, тип сети, имя точки доступа, логин и пароль)
и по голосовому каналу (номера телефонов ПЦН, номера телефонов для удаленного управления).
9.Нажать кнопку «Запись конфигурации», дождаться сообщения об успешном завершении записи, выключить прибор «Лунь-9С», отключить кабель конфигурирования.
Тестирование соединения
Тестирование работоспособности настроенного оборудования в комплексе рекомендуется проводить в следующем порядке:
1.Подключить заранее настроенное оборудование (см. раздел «Подключение оборудования»).
2.Включить питание «Лунь-9С».
3.Включить питание «HUNTER-PRO».
4.Дождаться события «Включение питания платы ППК» объекта «Лунь-9С» на ПЦН.
5.С клавиатуры, входящей в комплект «HUNTER-PRO» выбрать пункт тестирования дозвона на ПЦН по телефонной линии:
МЕНЮ ТЕХНИКА => 0 => ТЕСТЫ => ENTR => NEXT => NEXT => NEXT => NEXT => NEXT => 1
После этого «HUNTER-PRO» попытается передать тест на ПЦН. В случае удачной попытки на ПЦН будет получено событие «Ручная тестовая передача»,
а на экране клавиатуры – сообщение
«OK S1»:

При неудачной попытке на экране клавиатуры появится сообщение об ошибке:

Настройка централей. Проверка ТЛФ линии

Как принимать события из других приборов в ПО Феникс
Передавать события со сторонних централей в ПО Феникс HD можно двумя способами: из пультовой части или с объектовой. В первом случае есть возможность настроить ПО Феникс HD для приема событий в протоколах ContactID, 4+2, SIA, Ademco 365 и SK, транслируемых в ком-порт, а также принимать события в протоколе TCP Surguard через источник событий в Интернет централи. Второй способ заключается в том, что есть приборы ПСО Лунь 9С и 29С, которые принимают события централи в протоколе ContactID по телефонной линии и передают события по GSM (также WiFi/Lan для 29С) в ПО Феникс HD.
Настройки ФМ4
Для начала необходимо произвести настройку ФМ4 (мобильного приложения) на вашем планшете. Рекомендуется производить настройку без доступа в Интернет на планшете. Вот обязательные параметры, которые необходимо настроить правильно:
Сетевой транспорт. Выбор канала связи ФМ4 с ПЦС Феникс:
▸TCP – для связи через открытый канал Интернета – через общедоступную точку доступа (APN) сети GPRS.
▸UDP – для связи через закрытый канал VPN – через специализированную точку доступа (APN).
Адреса Феникс HD. Установка IP-адресов или доменных имен и портов ПЦС для связи с сервером FM4Server.
Периодичность проверки состояния связи. Установка периода проверки связи приложения с сервером (тестовые передачи).
Источник GPS-координат. Выбор источника координат:
▸Внутренний GPS — координаты для «Я» поступают от встроенного в планшет GPS-приемника.
▸Аллет — координаты для «Я» транслируются от GPS-устройства «Аллет» до «ФМ4» через беспроводную сеть.
ID устройства. Уникальное имя планшета в пределах отдельного ПЦС (только цифры и латинские буквы). Оно должно совпадать с именем, созданным на сервере.
Секретный ключ. Строка из 32 HEX-символов (цифры 0..9, буквы a..f), которая должна совпадать с такой же строкой на сервере (вводится в Администраторе БД) для соответствующего планшета. Этот общий «секрет» планшета и сервера используется при формировании цифровой подписи и ее проверке при обмене информацией по беспроводной сети. Если строки не совпадают, полученные пакеты будут отброшены как чужие.
Вся эта информация есть в инструкции по настройке.
Не поступают пуш-уведомления к мобильному приложению
Пуш-уведомления отправляются из ПО Феникс в соответствующее облако Apple или Google. Во-первых нужно убедиться, что ПО в состоянии передать уведомление в облако, во-вторых — это уведомление может принять мобильное устройство.
Серверная часть, т.е. Ваш ПЦС:
- Убедитесь, что на ПЦС установлен или обновлен сервер мобильного приложения к последней версии: откройте файл, путь к которому Phoenix-MK Server\bin\mobis.info блокнотом. Пока это версия 3.0.12. Если оно ниже, обратитесь в службу поддержки в рабочее время для его обновления. Также ПО Феникс должно быть обновлено до последней версии.
- Убедитесь, что сервер МК может соединиться с облаком gateway.push.apple.com:2195 для iOS или fcm.googleapis.com:5228-5230 для Android. Если нет, свяжитесь с вашим системным администратором для настройки сетевого оборудования.
Мобильное устройство:
- Проверьте установку последней версии приложения. Зайдите в Playmarket или Appstore, найдите приложение «Phoenix-MK», и нажмите кнопку «Обновить», если она есть.
- Проверьте настройки приложения, в настройках опция «Получать сообщение о событиях» должна быть включена
- Проверьте подписку на уведомление: Ваш объект -> Уведомление
- Проверьте настройки устройства. Фоновая активность приложения и прием пуш-уведомлений должны быть разрешены. Один из способов – это удалить приложение, затем установите его заново, запустите и согласитесь со всеми запросами прав. Или воспользуйтесь инструкцией к Вашему прибору для этих настроек.
Если приложение установлено не из Playmarket или Appstore, или используется неофициальная прошивка или магазин приложений устройства, мы не можем гарантировать исправную работу приложения.
>
Какие порты использует Феникс-HD
Порты ПО Феникс могут отличаться в зависимости от ваших настроек
Порты, которые следует переадресовывать из внешнего интернета в ПК с Фениксом:
Источники событий «Открытый Интернет«
По умолчанию 3030. Используется протокол TCP.
Посмотреть можно в настройках ЦК:
«Источники событий» ⟶ «Открытый интернет» ⟶ значение из поля «Порт» по каждому из созданных источников событий.

Источники событий «Интернет централи«, если они используются для приема событий из внешнего интернета
По умолчанию 12345. Используется протокол TCP.
Посмотреть можно в настройках ЦК:
«Источники событий» ⟶ «Internet Централи» ⟶ значение из поля «Порт» по каждому из созданных источников событий.

Сервер МК, внешний порт
По умолчанию 8383. Используется протокол TCP.
Посмотреть можно в текстовом файле, который находится по пути
«C:\Program Files (x86)\ProtectionAndSecurity\Phoenix-MK Server\bin\config.properties»
Значение после текста «MK_SERVER_PORT=»

FTP сервер, если необходимо конфигурировать приборы серии Лунь-11 в открытом интернете
По умолчанию 21 и диапазон 13000 –13005. Для всех портов используется протокол TCP.
Посмотреть настройки программы Filezilla Server Interface:
«Edit» ⟶ «Settings» ⟶ «General settings» ⟶ Значения с поля «Listen on these ports»
«Edit» ⟶ «Settings» ⟶ «Passive mode settings» ⟶ Диапазон портов с поля «Listen on these ports»


FM4 сервер, если планшеты работают в открытом интернете
По умолчанию 11000. Используется протокол TCP.
Посмотреть настройки программы FM4 Server:
«Общие» ⟶ значение из поля «Номер порта (TCP)»

Сервер мобильных заявок инженерам
По умолчанию 7575. Используется протокол TCP.
Посмотреть можно в текстовом файле, который находится по пути
«C:\TSMServer\apache\conf\httpd.conf»
Значение после текста «Listen»

Почему пришло событие…, и что делать?
Z80/Z81 Связь с сетью Интернет потеряна/возобновлена
Центр управления не получил ответ на PING или GET запрос (настраивается в ЦК – Источники событий – Открытый интернет).
- Проверьте доступность или стабильность связи с Интернетом.
Z114 Есть проблемы с подключением к сети Ethernet. Проверьте сетевые подключения
Центр управления не получил ответ на PING запрос от прибора «Лунь», работающего в открытой сети «Интернет» с отметкой «Эталонный».
- Найдите все эталонные приборы, работающие в открытом интернете: Администратор БД →? → «Стандартные параметры» → «Эталонные Лунь-и».
- Снимите с них опцию «Сделать этот прибор эталонным» (вкладка «Оборудование»).
- Закройте Центр управления и запустите его заново.
Z14 Происходит повтор пакетов от объекта
От прибора поступило два или более одинаковых пакета. Как правило, это свидетельствует о плохой связи. Время получения квитанции о принятии события от ПЦС больше ожидания подтверждения в настройках прибора, по умолчанию это 5-7 секунд. Трасса от прибора до ПЦС длиннее 2500мс-3500мс может свидетельствовать о проблемах у сотового оператора или плохом уровне/качестве связи.
- Улучшите связь устройства с сотовой сетью с помощью выносной антенны, измените ее расположение.
- Попробуйте использовать семь других мобильных операторов.
- По возможности зайдите канал связи «LAN/WiFi».
- Если улучшить связь невозможно, увеличьте параметр «Ожидание подтверждения» в настройках прибора на 1-5 секунд. Но учтите, что это повлияет на оперативность отправки событий
Z13 Произошла потеря событий от объекта по причине пропуска пакета.
От прибора поступило 2 или более события, очередность которых не соблюдена. Очень опасное событие. Это может быть только в следующих случаях:
- Два разных прибора с одинаковым передаваемым номером в открытом интернете. Нужно найти дубль и назначить ему другой передаваемый номер. Посмотрите когда начали поступать эти события от прибора, узнайте кто производил монтаж в это время.
- Прибор передал события на другой ПЦС, орлан и т.д. Считайте настройки прибора, измените их таким образом, чтобы события поступали только на Ваш ПЦС
- Прибор неисправен и требует ремонта
OFF/Z3 Код события не опознан/Ложный код не подтвержден.
Прибор отправил DTMF посылку на Орлан-М (голосовой), которую модуль не распознал или не совпала ее контрольная сумма. Если прибор не смог передать событие 3 раза подряд или не пытался после первой неудачной попытки, сгенерированное событие Z3 Ошибочный код не подтвержден.
- Улучшите связь устройства с сотовой сетью с помощью выносной антенны, измените ее расположение, или попробуйте использовать семь других мобильных операторов.
- Или не используйте голосовой канал на этом объекте, покрытие сотовой связи не позволяет использовать его на этом месте.
- Также если прибор серии Лунь 11 и новее, убедитесь в том, что используются модули Орлан-М11 или Орлан-М15, более старые не умеют принимать события от этих приборов.
Z11 Есть проблемы с Орлан-GPRS или его подключением к сети Интернет.
Центр Управления не установил с’ соединение с Орланом-GPRS. После того, как Центр Управления не получил ответа от эталонных приборов по одному из соединений Орлан-GPRS, он отключает его, и затем пытается соединить снова.
- После того, как событие принято на обработку в «Очередном операторе», появится кнопка «Перезапуск Орлан-GPRS», которую нужно нажать, чтобы Центр управления инициировал переподключение соединения со сбросом питания
не нашли ответ на свой вопрос?
Напишите нам, что вас интересует, и мы свяжемся с вами в ближайшее время.







